Hoppa till huvudinnehåll
Toggle menu
Jämför
Sök
Sök
Produkter
Lastsäkring
Surrningar, textila
Standardsurrning
Invändig surrning
Sjöfartssurrningar
Maskinsurrning
Hjulsurrning
Kamlåssurrning
Timmer-/Vinschsurrningar
Liftdumpersurrning
Rostfritt
Kättingsurrningar
Kättingsurrning
Textila kättingspännare
Kättingspännare
Godsstöttor och reservdelar
Godsstöttor
Reservdelar till godsstöttor
Engångslastsäkring
Containerplomber
Engångsband
Engångslås
Spännverktyg
Lastsäkringskuddar
Kantskydd / Stopp
Kantskydd, lastsäkring
Stoppklossar
Friktionsmattor
Kollibroddar
Slitskydd
Spännare & kamlås
Kamlås
Lastspännare
OC-lås
Surrningsbeslag
Dubbelkrokar
Enkelkrokar
Krokar, trädbara och direktmonterade
Krokar för skena
Krokar, övriga
Beslag för skena
Ringar
Övrig lastsäkring
Band för bromsprovning
Fatgrimma
Kätting Klass 2
Bärsele
Lastsäkring för påbyggnad
Armaton
Double Decking
ATD
ATD-F
ATD-ATD-F
CTD
Skenor och balkar
Lätta skensystem
Last- och spärrbalkar
Lastlåsskenor
Klädtransportsystem
Surrningsfästen
Profiler Aluminium
Aluminiumrör och fyrkantsprofiler
U-profiler
Vinkellist
Kantlina
Sparklist
Kringutrustning fordon
Fix Strap
Pallyftstopp
Tippstroppar
Stödbensplattor
Bandupprullare
ADR-väskor
Brandsläckare
Mätinstrument
Snökedjor
Reservdelar till snökedjor
Terminalprodukter
Tillbehör Påbyggnad
Förvaring och hjälpmedel
Lastnät
Vinschar
Beslag
Stakhylsor
Temperatur- och fuktskydd
Absorbenter
Draperier och PVC-ridåer
Draperi
PVC-ridå
Thermoväggar
Wall On Wheel
Be Cool mellanvägg
SafeCold
SafeCold Korridor
Skjutvägg
Thermovägg, vikbar
Walk in wall, vikbar 3-sektioner
Thermovägg, ihoprullbar
Thermo pallhuv
Palletering & Buntning
Emballageband
PP-band
WG-band mm
PET-band mm
Kompositband
Stålband
Sträckfilm / Krympfilm
Sträckfilm
Krympfilm mm
Bandskydd / Kantskydd
Bandskydd
Kantskydd, strapping
Plomber / Lås / Spänne
WG-lås, metalltråd
Plastspänne – PP-band
Plomber, metall – Stålband
PKÖ-plomber, metall – PP-PET-band
Handverktyg strapping
Bandsträckare WG-PP-PET
Bandsträckare stålband
Avrullare / Vagnar
Bindgarn / Snöre / Hink / Kniv
Sisalgarn
Polypropylengarn
Hampagarn
Bomullsgarn
Knivar
Packsnöre
Lyftutrustning
Lyftredskap Hårda
Klass 8
Klass 10
Lyftpunkter
Rundslingskrokar
Schackel
Lyftok
Situationsredskap
Lyftredskap Mjuka
Rundsling sömlös
Rundsling Duplex
Rundsling sidsöm
Bandsling
Bandstropp
Båtlyftstropp
Rundslingsstropp
Rundslingsredskap
Lyftanordningar
Balkklo
Balkvagnar
Kastblock
Kranvågar
Magnetlyftar
Plåtlyftshandskar
Snabblyftblock
Spaklyftblock
Lintalja
Pallgaffel
Bärgnings- och Dragredskap
Bärgningsredskap Hårda
Bärgningsredskap Mjuka
Lösningar
Vägtransporter
Distributionsbil
Fjärrtransport, sluten lastbärare
Fjärrtransport, öppen lastbärare
Kranbil
Skåpbil
Släpkärra / Flak
Bärgning
Järnvägstransporter
Sjötransporter
Flygtransporter
Container – OWS
Fordonspåbyggnad
Temperatur-/ Fuktkänsligt gods
Säkra lyftlösningar
Knowhow
Lastsäkring – Knowhow
Introduktion till Lastsäkring
Utrustning för Lastsäkring – Info
Surrningspunkter – Info
Märkning lastsäkringsutrustning
Kätting för lastsäkring
Säkra lyft – Knowhow
Introduktion till Säkra lyft
Hårda lyftredskap – Info
Mjuka lyftredskap – Info
Märkning lyftutrustning
Kätting för lyft
Ladda ner / Dokument
Lathundar – Lastsäkring, Säkra lyft
Sortimentsfoldrar
Lyfttabeller
Beställningsformulär Lyftredskap
Återvinningsinstruktion
Sök certifikat
Regelverk Lastsäkring
Regelverk Sjöfart
Regelverk Lyftutrustning
Video-bibliotek
HOW TO videos för Lyftutrustning
Om Forankra
Forankra AB
Vårt erbjudande
Vår ägare
Värdegrund & Etiska regler
Hållbarhet
Leveransvillkor
Kontakta oss
Nyheter
Hem
Produkter
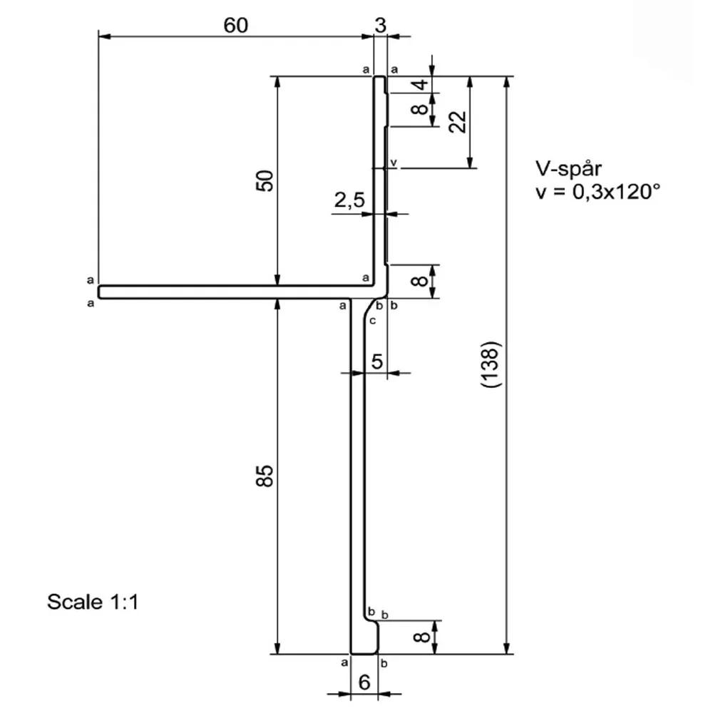
Kantlina 60x138 mm L=4500 mm
Kantlina 60x138 mm L=4500 mm
Aluminiumprofil framtagen för att fungera som kantlina vid skåpbyggnation.
Läs mer
(Du sparar
)
Artikelnummer:
320110005
EAN:
Material:
Aluminum 6063 T6
Tidigare ID:
31-13860E
Längd (mm):
4500
Bredd (mm):
60
Höjd (mm):
138
Vikt/m (kg):
1,634
Yta:
Anodised
Beskrivning:
Kantlina 60x138 mm L=4500 mm | 1,634 kg/m eloxerad | Aluminiumprofil AW-6063 T6
Nuvarande lager:
Lägger till i kundvagnen ... Objektet har lagts till
Lägg i offertlista
Print
Beskrivning
Aluminiumprofil framtagen för att fungera som kantlina vid skåpbyggnation.
Stäng
×
Relaterade produkter
Kantlina 60x138 mm L=7500 mm
U-balk 60x160x60 mm L=4500 mm
Plattlist 125 mm L=7500 mm
Vinkellist 250x40 mm L=7500 mm
Vinkellist 85x85 mm L=7500 mm
Stäng
×
OK