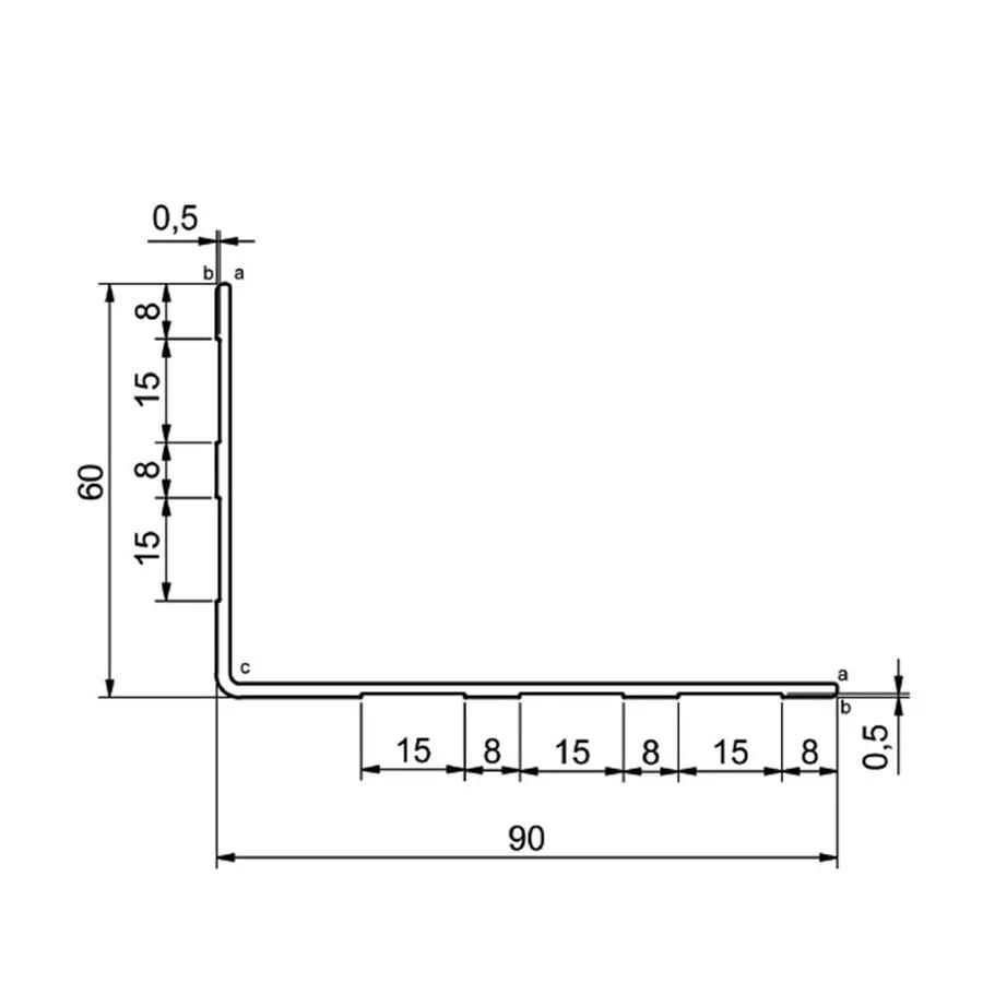
Vinkellist 90x60 mm L=6500 mm

Aluminiumprofil framtagen för montering vid skåpbyggnationer, Räfflad utsida och flat insida.
Läs mer
Artikelnummer:
320110043
Material:
Aluminum 6063 T6
Tidigare ID:
31-9060E
Längd (mm):
6500
Bredd (mm):
90
Höjd (mm):
60
Vikt/m (kg):
0,693
Yta:
Anodised
Beskrivning:
Vinkellist 90x60 mm L=6500 mm | 0,693 kg/m eloxerad | Aluminiumprofil AW-6063 T6

    Beskrivning

    Aluminiumprofil framtagen för montering vid skåpbyggnationer, Räfflad utsida och flat insida.